Air Leak Testers
Air Leak Tester is the automatic leak detector detects any leaks by the minute change of differential pressure and conducts OK/NG judgment. Ideal to be built into a production line for a laborsaving and a quality control purpose
Air Flow Testers
Variety ranges from F.S.10mL/min to F.S 500L/min are available. Promotes an automation and a laborsaving of the measurement
Helium / Hydrogen Leak Testers
Helium Leak Tester adopts the new testing method and Helium Leak Tester adopts the new testing method and
Pressure
All Manometer comes with a traceability. Wide range of Manometers, from a micro pressure (F.S. 200Pa) to a high pressure (F.S. 50MPa) are available
Peripherals
Peripheral instruments are used with Air Leak Tester in order to enhance its functionality and convenience
Sound / Vibration Analyser
We determine the acceptability of the sounds and vibrations of products using our special analyses developed in-house.
Cosmo Super Gel
Materials combining unprecedented flexibility and durability
Others
| Sensing element | Fluoro silicone |
|---|---|
| Pressure media | PT-161A: Air or non-corrosive gases PT-162A: Water/Air or non-corrosive liquids and gases |
| Pressure type | Differential presssure, Gauge pressure (with Lo port open to the atmosphere) |
| Accuracy | ±0.5% of F.S. (including the linearity, repeatability, and hysteresis)) |
| Temperature characteristic Zero | ±0.03% of F.S./℃ |
| Temperature characteristic Span | ±0.03% of F.S./℃ |
| Allowable pressure | 7kPa & 35kPa range: 140kPa 100kPa range: 300kPa |
| Maximum line pressure | Within the allowable pressure shown above |
| Step response speed | Frequency response 10kHz 99% Step response 0.5msec |
| Power source | ±15VDC (Consumption current 10mA max) |
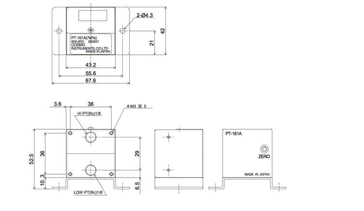
| Appearance | PT-161A: (WxHxD) 42x44x39mm PT-162A: (φxD) 54×76 (include 117 connector)mm |
| Weight | PT-161A; Approx. 185g PT-162A: Approx. 500g |
| Pressure connection port | Rc(PT)1/8 |
| Ambient temperature | 5~40℃ |
| Pressure range | 0~7kPa 0~35kPa 0~100kPa |
| Output voltage | 0 to 5 VDC *Resistance: min, 5kΩ |
| Signal connection | PT-161A: With 2m cable PT-162A: Without a cable with a connector |
| Option | High precision ±0.3% of F.S. |
| Documents | Traceability documents, Operation manual |

PT-161A Appearance

PT-162A Appearance
Information
Unveiling a new chapter — the grand inauguration of our Head Office is successfully complete.
Started a new venture manufacturing plant at Bengaluru.
⚡ EV Summit | 22 Aug 2025 | New Delhi – Driving the future of electric mobility!
D-U-N-S® Registered Business | Dun & Bradstreet
© Copy Rights 2025 Cosmo Instruments India Pvt. Ltd.